POWIERZCHNIA (M²)

CENA ZA M²

PIĘTRO

LICZBA POKOI

ROK BUDOWY

RYNEK

NUMER OFERTY

Poprzednia oferta
Powrót
Następna oferta

Dowolna działalność, możliwość przebudowy, parking

Wynajem lokalu usługowego

Lokalizacja Mierzyn
Lubieszyńska
Numer oferty 4/13324/OLW
Rodzaj budynku Magazynowo-biurowy
Rok budowy 2000
Materiał Cegła
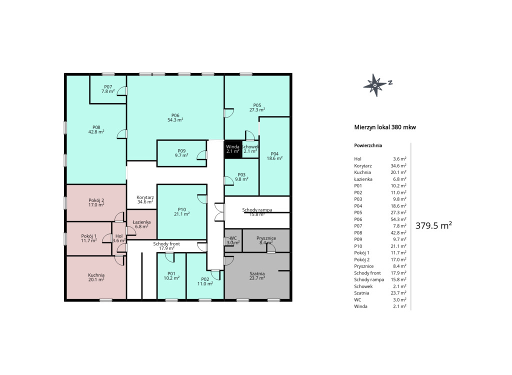
Powierzchnia 380 m2
Cena 10 000 zł

Opis

Wyjątkowa oferta dla firmy szukającej miejsca na siedzibę, które zaoferuje dużą przestrzeń z możliwością zagospodarowania według potrzeb, a do tego umożliwiającego także nieuciążliwą działalność produkcyjną w połowie drogi między Centrum Szczecina a granicą z Niemcami.
 
OFERTA NA WYŁĄCZNOŚĆ – NIE SZUKAJ DALEJ
 
Lokal:
 
- 380mkw. powierzchni, pierwsze piętro w budynku wolnostojącym
- 2 wejścia (od frontu i od strony rampy)
- liczne pomieszczenia z możliwością dalszej modyfikacji przedstawione na planie (rzeczywiste wymiary)
- niezależne, wydzielone mieszkanie 2-pokojowe z łazienką i osobną dużą kuchnią
- szatnia z 2 prysznicami i WC plus osobna toaleta
- szyb niedużej windy (1m x 1m) do wykorzystania
- posadzki betonowe, ściany gładkie, stolarka okienna w dobrym stanie, drzwi wewnętrzne zostaną w razie potrzeby wymienione
- ogrzewanie gazowe z osobnym licznikiem
- prąd i woda opomiarowane osobno
- oświetlenie energooszczędne w trakcie instalacji
 
Bardzo dobry moment na zawarcie umowy długoterminowej na korzystnych warunkach i dostosowanie lokalu do swoich potrzeb. Zakres inwestycji i udział właściciela w kosztach do uzgodnienia.

Możliwość wynajęcia dodatkowej powierzchni mierzącej kolejne 380mkw. po podłodze (ok. 250 użytkowej) na najwyższej kondygnacji, która w najbliższym czasie przejdzie remont.
   
Budynek i teren:
 
- budynek ocieplony
- cały teren wyłożony polbrukiem, ogrodzony, brama elektryczna zamykana na noc
- kilkanaście miejsc parkingowych do wyłącznej dyspozycji
- możliwość montażu dowolnej reklamy świetlnej na budynku lub pylonu reklamowego wolnostojącego
 
Lokalizacja:

Miejsce z dogodnym dojazdem zarówno w stronę Centrum Szczecina (7km) jak również do granicy z Niemcami w Lubieszynie (7km). Dojazd bezpośredni drogą krajową nr 10. Przystanek autobusowy dosłownie po drugiej stronie ulicy.
 
Warunki umowy:
 
- Dostosowanie lokalu do działalności we własnym zakresie, w zależności od ustalonych warunków najmu (cena/czas) możliwy udział właściciela.
- Możliwość zawarcia umowy na dowolny okres 5 lat z czynszem waloryzowanym dorocznie na podstawie wskaźnika inflacji publikowanego przez GUS.
- Prąd, woda i gaz posiadają osobne liczniki.
- Prywatne miejsca parkingowe w cenie!
- Brak dodatkowego czynszu!
- Kaucja równa jednokrotności czynszu najmu.


Szczegóły
Rodzaj oferty Wynajem lokalu usługowego
Liczba pięter 2
Powierzchnia 380 m2
Cena 10 000 zł (26 zł/m2)
Forma prawna Własność
Rodzaj budynku Magazynowo-biurowy
Rok budowy 2000
Materiał Cegła
Stan budynku Dobry
Dodatkowo alarm